我们从使用功能上将电流互感器分为测量用电流互感器和保护用电流互感器两类,各种电流互感器的原理类似,本文总结了一些电流互感器知识,供参考使用。
一电流互感器铭牌标志
电流互感器型号由以下几部分组成,各部分字母、符号表示内容:
第一个字母:L——电流互感器
第二个字母:F——风压式;M——母线式(穿芯式)
第三个字母:C——瓷绝缘式;Z——浇注式
第四个字母:B——保护;D——差动
第一个字母:数字——电压等级(kV)。
例如:LMZ—0.66表示用环氧树脂浇注的穿芯式电流互感器 0.66kV。
额定工作电压,互感器允许长期运行的最高相同电压有效值。
额定一次电流,作为互感器性能基准的一次电流值。
额定二次电流,作为互感器性能基准的二次电流值,通常为5A或1A。
额定电流比,额定一次电流与额定二次电流之比。
额定负荷,确定互感器准确级所依据的负荷值。电流互感器二次K1、K2端子以外的回路阻抗都是电流互感器的负荷。通常以视在功率伏安或以阻抗欧姆表示。
额定功率因数,二次额定负荷阻抗的有功部分与额定阻抗之比。
准确度等级,在规定使用条件下,互感器的误差在该等级规定的限值之内电力工程中计量,常用的等级有0.2、0.5、0.2S、0.5S等。
二测量用电流互感器接线方法
测量用电流互感器的作用是指在正常电压范围内,向测量、计量装置提供电网电流信息。
1、普通电流互感器接线图

电流互感器的一次侧电流是从P1端子进入,从P2端子出来;即P1端子连接电源侧,P2端子连接负载侧。
电流互感器的二次侧电流从S1流出,进入电流表的正接线柱,电流表负接线柱出来后流入电流互感器二次端子S2,原则上要求S2端子接地。
注:某些电流互感器一次标称,L1、L2,二次侧标称K1、K2。
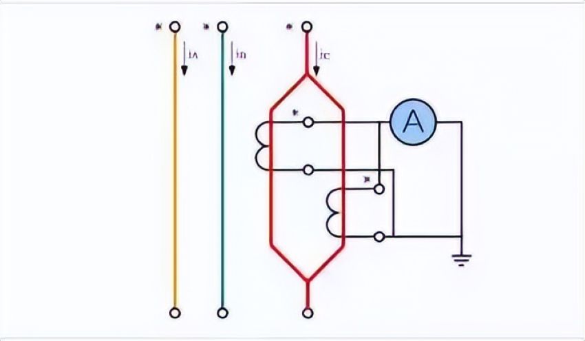
2、穿心式电流互感器接线图

穿心式电流互感器接线与普通电流互感器类似,一次侧从互感器的P1面穿过,P2面出来,二次侧接线与普通互感器相同。
三电流互感器接线图
电流互感器接线总体分为四个接线方式:
1、单台电流互感器接线图
只能反映单相电流的情况,适用于需要测量一相电流的情况。

单台电流互感器接线图
2、三相完全星形接线和三角形接线形式电流互感器接线图
三相电流互感器能够及时准确了解三相负荷的变化情况。

三相完全星形电流互感器接线图

三相完全角形电流互感器接线图
3、两相不完全星形接线形式电流互感器接线图
在实际工作中用得最多,但仅限于三相三线制系统。它节省了一台电流互感器,根据三相矢量和为零的原理,用A、C相的电流算出B相电流。

两相不完全星形接线形式电流互感器接线图
4、两相差电流接线形式电流互感器接线图
也仅用于三相三线制电路中,这种接线的优点是不但节省一块电流互感器,而且也可以用一块继电器反映三相电路中的各种相间短路故障,亦即用最少的继电器完成三相过电流保护,节省投资。

两相差电流接线形式电流互感器接线图
5、其它接线方式
5.1 原边串联、副边串联
电流互感器原边串联、副边串联接线图如下所示,串联后效果:互感器变比不变,二次额定负荷增大一倍。

电流互感器原边串联、副边串联接线图
5.2 原边串联、副边并联
电流互感器原边串联、副边并联接线图如下所示,串并联后效果:互感器变比减小一倍,二次额定负荷增大一倍。

电流互感器原边串联、副边并联接线图
5.3 原边并联、副边串联
电流互感器原边并联、副边串联接线图如下所示,串并联后效果:互感器变比增大一倍,二次额定负荷增大一倍。

电流互感器原边并联、副边串联接线图
5.4 原边并联、副边并联
电流互感器原边并联、副边并联接线图如下所示,并联后效果:互感器变比不变,二次额定负荷增大一倍。

电流互感器原边并联、副边并联接线图
四关于电流互感器的重点问题
1、电流互感器的二次负载阻抗如果超过了其容许的二次负载阻抗.为什么准确度就会下降?
电流互感器二次负载阻抗的大小对互感器的准确度有很大影响。这是因为,如果电流互感器的二次负载阻抗增加得很多,超出了所容许的二次负载阻抗时,励磁电流的数值就会大大增加,而使铁芯进入饱和状态,在这种情况下,一次电流的很大一部分将用来提供励磁电流,从而使互感器的误差大为增加,其准确度就随之下降了。
2、用于差动保护的电流互感器,要求其铁芯好,还要加大铁芯截面,为什么?
在系统正常运行或差动保护范围外部短路时,差动保护两端电流互感器的电流数值和相位相同,应没有电流流入差动继电器,但实际上这两套电流互感器的特性不可能 完全相同,励磁电流便不一样,二次电流不会相等,继电器中将流过 不平衡电流。为了减少不平衡电流,必须改进电流互感器的结构,使其不致饱和,或选用损耗小的特种硅钢片制作铁芯,并加大铁芯截面。
3、电流互感器二次绕组的接线有那几种方式?
根据继电保护和自动装置的不同要求,电流互感器二次绕组通常有以下几种接线方式:
⑴、完全(三相)星形接线;
⑵、不完全(两相)星形接线;
⑶、三角形接线;
⑷、三相并接以获得零序电流接线;
⑸、两相差接线;
⑹、一相用两只电流互感器串联的接线;
⑺、一相用两只电流互感器并联的接线。
4、什么叫电流互感器的接线系数?接线系数有什么作用?
通过继电器的电流与电流互感器二次电流的比值叫电流互感器的接线系数,即Kc=Ik/I2 式中
Ik--流人继电器中的电流;
12--流人电流互感器的二次电流;
接线系数是继电保护整定计算中的一个重要参数,对各种电流保护测量元件动作值的计算,都要考虑接线系数。
5、什么叫电压互感器反充电?对保护装置有什么影响?
通过电压互感器二次侧向不带电的母线充电称为反充电。如220kV电压互感器,变比为2200,停电的一次母线即使未接地,其阻抗(包括母线电容及绝缘电阻)虽然较大,假定为1MΩ,但从电压互感器二次测看到的阻抗只有1000000/(2200)2=0.2Ω,近乎短路,故反充电电流较大(反充电电流主要决定于电缆电阻及两个电压互感器的漏抗),将造成运行中电压互感器二次侧小开关跳开或熔断器熔断,使运行中的保护装置失去电压,可能造成保护装置的误动或拒动。
6、零序电流互感器的安装
(1)电缆头和零序电流互感器的支架应用绝缘物可靠隔离。
(2)发生单相接地时,接地电流不仅在地中流过,也可能沿着电缆外皮流过。为了防止区外单相接地故障时装置误动作,电缆头接地线应穿过零序电流互感器再接地。(接地线回穿过零序电流互感器再接地)
常用电压互感器的接线,电压互感器在三相电路中常用的接线方式有四种:如下图

1、一个单相电压互感器的接线,用于对称的三相电路,二次侧可接仪表和继电器,如图1(a)。
2、两个单相电压互感器的V/V形接线,可测量相间线电压,但不能测相电压,如图1(b)。
3、三个单相电压互感器接成Y0/Y0形,如图1(c)。可供给要求测量线电压的仪表和继电器,以及要求供给相电压的绝缘监察电压表。
4、一台三相五芯柱电压互感器接成Y0/Y0/Δ(开口三角形),如图1(d)所示。接成Y0形的二次线圈供电给仪表、继电器及绝缘监察电压表等。辅助二次线圈接成开口三角形,供电给绝缘监察电压继电器。当三相系统正常工作时,三相电压平衡,开口三角形两端电压为零。当某一相接地时,开口三角形两端出现零序电压,使绝缘监察电压继电器动作,发出信号。
具体分析如下PT接V/V型的接线图:左图是正确接线,电压平衡;右图是错误接线,电压不平衡。

|
|
电话:0538-8365877 |
|
|
邮箱:daishengren@vip.163.com |
|
|
地址:山东省泰安市岱岳经济开发区 |